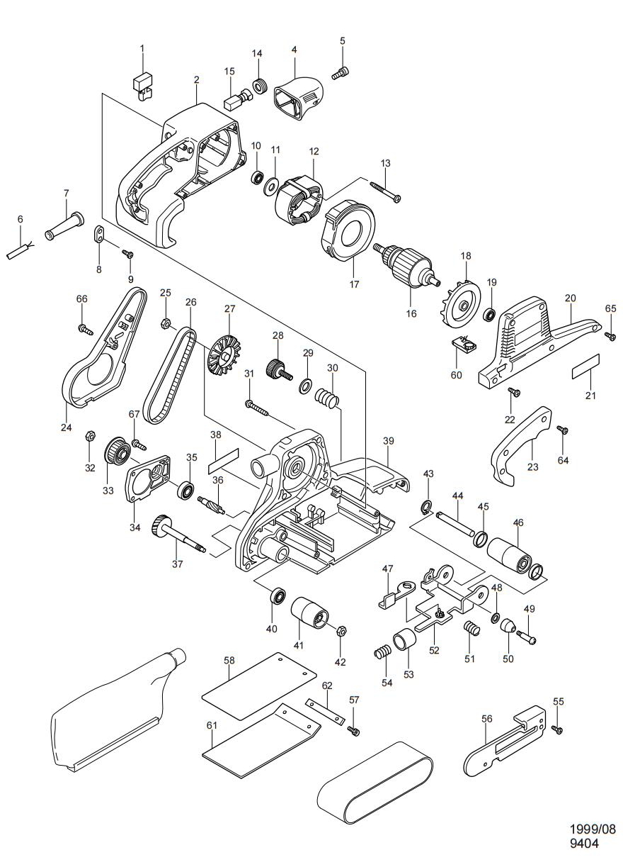
9404砂光机(带式砂光机)
| 砂光机(带式砂光机) | 9404 |
|
| 图号 | 部件号 | 部件名称/注解 | 数量 |
| 1 | 651284-9 | 开关 SGEL115CDY-6 | 1 |
| 2 | 151743-8 | 电机机壳 | 1 |
| 2 | 643708-9 | 碳刷握 | 2 |
| 4 | 417049-7 | 前手柄 | 1 |
| 5 | 266173-1 | 自攻螺丝 5X30 | 1 |
| 6 | 694443-2 | 电源线 1.0-2-5.0 | 1 |
| 7 | 682505-8 | 电源线护套 10-90 | 1 |
| 8 | 687052-4 | 电源线压板 | 1 |
| 9 | 265995-6 | 自攻螺丝 PT4X18 | 2 |
| 10 | 211088-7 | 轴承6000DDW | 1 |
| 11 | 681649-1 | 绝缘垫圈 | 1 |
| 12 | 523404-4 | 定子组件 230-240V | 1 |
| 12 | 654020-2 | 线耳 | 2 |
| 12 | 654502-4 | 连接头 P-2 | 2 |
| 12 | 654501-6 | 连接器 P-1.25 | 2 |
| 12 | 654502-4 | 连接头 P-2 | 2 |
| 13 | 266056-5 | 自攻螺丝 5X45 | 2 |
| 14 | 643750-0 | 碳刷盖 | 2 |
| 15 | 191963-2 | 碳刷 CB-303 | 1 |
| 16 | 513339-7 | 转子组件 | 1 |
| 包含零件. 10,11,18,19 | |||
| 17 | 417050-2 | 挡风圈 | 1 |
| 18 | 240026-2 | 风叶75 | 1 |
| 19 | 210023-2 | 轴承627DDW | 1 |
| 20 | 417048-9 | 侧盖 | 1 |
| 22 | 265995-6 | 自攻螺丝 PT4X18 | 4 |
| 23 | 417051-0 | 手柄盖 | 1 |
| 24 | 417052-8 | 皮带罩 | 1 |
| 25 | 252153-3 | 六角螺母 M6-10 | 1 |
| 26 | 225084-9 | 皮带 6-330 | 1 |
| 27 | 241663-5 | 风叶76 | 1 |
| 28 | 251815-0 | 旋钮M6X25 | 1 |
| 29 | 253707-9 | 平垫圈16 | 1 |
| 30 | 231225-7 | 压簧16 | 1 |
| 31 | 266050-7 | 自攻螺丝 4X30 | 5 |
| 32 | 931402-8 | 六角螺母 M8 | 1 |
| 33 | 222156-1 | 皮带轮9.5-46.0 | 1 |
| 34 | 317273-1 | 齿轮罩 | 1 |
| 35 | 211092-6 | 轴承 629DDW | 1 |
| 36 | 226520-8 | 斜齿轮10 | 1 |
| 37 | 151755-1 | 螺旋齿轮 | 1 |
| 39 | 151748-8 | 机架 | 1 |
| 39 | 212043-2 | 滚针轴承 HK 0810 | 1 |
| 39 | 214116-7 | 平面轴承 12 | 1 |
| 39 | 214101-0 | 轴承 | 1 |
| 40 | 211088-7 | 轴承6000DDW | 1 |
| 41 | 162217-4 | 驱动辊 | 1 |
| 42 | 252154-1 | 六角螺母 M8-13 | 1 |
| 43 | 961052-5 | 挡圈S-12 | 1 |
| 44 | 323932-7 | 张紧辊轴 | 1 |
| 45 | 253922-5 | 杯形垫圈12 | 2 |
| 46 | 151754-3 | 张紧辊 | 1 |
| 46 | 214116-7 | 平面轴承 12 | 2 |
| 46 | 421044-1 | 海绵套 42-47 | 1 |
| 47 | 344823-9 | 板杆 | 1 |
| 48 | 267731-6 | 杯形垫圈4 | 1 |
| 49 | 265059-6 | 翼形螺丝M4 | 1 |
| 50 | 416417-1 | 滚轴帽 | 1 |
| 51 | 233249-9 | 压簧7 | 1 |
| 52 | 151745-4 | 张紧辊托架 | 1 |
| 53 | 267746-3 | 环17 | 1 |
| 54 | 233250-4 | 压簧12 | 1 |
| 55 | 266034-5 | 自攻螺丝 CT4X16 | 2 |
| 56 | 344822-1 | 安全护板 | 1 |
| 57 | 911117-3 | 半圆头螺丝 M4X12 | 2 |
| 58 | 193202-6 | 软木橡胶板 | 1 |
| 603 | 631380-9 | 控制器 | 1 |
| 61 | 193201-8 | 碳素板 | 1 |
| 62 | 344849-1 | 条状紧固夹板 | 1 |
| 64 | 265995-6 | 自攻螺丝 PT4X18 | 3 |
| 65 | 266034-5 | 自攻螺丝 CT4X16 | 1 |
| 66 | 266034-5 | 自攻螺丝 CT4X16 | 1 |
| 67 | 266034-5 | 自攻螺丝 CT4X16 | 4 |
| A01 | 122591-2 | 集尘袋总成 | 1 |
| A01 | 410602-8 | 紧固器 | 1 |
| A02 | 794135-4 | 砂带 100X610 WA80 | 1 |
| E01 | 654532-5 | 接线端子 1P | 1 |
| E02 | 645105-5 | 电容 | 1 |
| E02 | 645245-9 | 电容 | 1 |