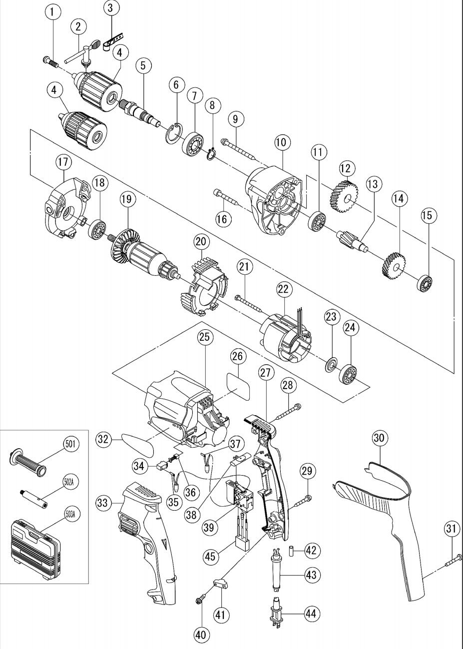
D13VG
PDF拆解图 CSV配件表
|
图号
|
配件编号
|
配件名称
|
员数
|
|
1
|
311959
|
特型螺钉 M6X23
|
1
|
|
2
|
319527
|
夹头扳手 13VLR-J
|
1
|
|
3
|
950288
|
尼龙带扣
|
1
|
|
4
|
319303
|
钻头头 13VLR-J
|
1
|
|
5
|
319346
|
主轴
|
1
|
|
6
|
948001
|
定位环
|
1
|
|
7
|
6002VV
|
滚珠轴承 6002VVCMPS2L
|
1
|
|
8
|
939544
|
止推环
|
1
|
|
9
|
305701
|
自攻螺钉 D5X60
|
2
|
|
10
|
319345
|
齿轮箱
|
1
|
|
11
|
627VVM
|
滚珠轴承 627VVC2PS2L
|
1
|
|
12
|
319305
|
后端齿轮 (C)
|
1
|
|
13
|
319548
|
第2齿轮 (C)
|
1
|
|
14
|
319544
|
第1齿轮
|
1
|
|
15
|
606ZZM
|
滚珠轴承 606ZZC2PS2L
|
1
|
|
16
|
316458
|
自攻螺钉
|
1
|
|
17
|
319344
|
中间盖
|
1
|
|
18
|
608DDM
|
滚珠轴承 608DDC2PS2L
|
1
|
|
19
|
360543E
|
转子 220V-230V
|
1
|
|
20
|
319329
|
导风板
|
1
|
|
21
|
981421
|
自攻螺钉 D4X55
|
2
|
|
22
|
340486E
|
定子 220V
|
1
|
|
23
|
982631
|
垫圈 (A)
|
1
|
|
24
|
608VVM
|
滚珠轴承 608VVC2PS2L
|
1
|
|
25
|
319328
|
机壳
|
1
|
|
26
|
|
铭牌
|
1
|
|
27
|
319331
|
把手 (B)
|
1
|
|
28
|
303694
|
自攻螺钉 D4X35 (黑)
|
2
|
|
29
|
301653
|
自攻凸缘螺钉 D4X20 (黑)
|
1
|
|
30
|
319332
|
把手盖
|
1
|
|
31
|
319337
|
螺钉 D4X25
|
2
|
|
32
|
|
日立标签
|
1
|
|
33
|
319330
|
手柄 (A)
|
1
|
|
34
|
955203
|
刷握
|
2
|
|
35
|
319341
|
配线 (蓝) 86L
|
1
|
|
35
|
320197
|
扼流线圈 (蓝) 220V-240V
|
1
|
|
36
|
999041
|
碳刷
|
2
|
|
37
|
320196
|
扼流线圈 (棕) 220V-240V
|
1
|
|
38
|
316166
|
切换按扭
|
1
|
|
39
|
320195
|
开关(1P Screw Type) W/Lock
|
1
|
|
40
|
984750
|
凸缘自攻螺钉 D4X16
|
2
|
|
41
|
937631
|
电缆夹
|
1
|
|
42
|
981373
|
软管 (D)
|
2
|
|
43
|
953327
|
电缆护套 D8.8
|
1
|
|
44
|
500468Z
|
电缆
|
1
|
|
45
|
320198
|
干扰抑制器
|
1
|
|
501
|
981205
|
侧把手
|
1
|
|
502
|
319550
|
把手连接器
|
1
|
|
503
|
319543
|
外箱
|
1
|