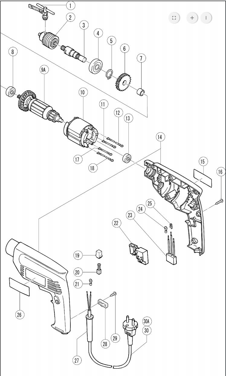
FD10SB
PDF拆解图 CSV配件表
|
图号
|
配件编号
|
配件名称
|
员数
|
|
1
|
980057
|
钻夹扳手
|
1
|
|
2
|
950292
|
钻夹头
|
1
|
|
3
|
312368
|
输出轴
|
1
|
|
4
|
6202VV
|
滚珠轴承 6202VVCMPS2L
|
1
|
|
5
|
939544
|
止推环
|
1
|
|
6
|
994721
|
齿轮
|
1
|
|
7
|
954789
|
含油轴承 (B)
|
1
|
|
8
|
608VVM
|
滚珠轴承 608VVC2PS2L
|
1
|
|
9A
|
987090E
|
转子 220V-230V
|
1
|
|
10
|
340228E
|
定子 220V-230V
|
1
|
|
10
|
340228F
|
定子 230V-240V
|
1
|
|
11
|
305808
|
配线 (A) (黑)
|
1
|
|
13
|
626VVM
|
滚珠轴承 626VVC2PS2L
|
1
|
|
14
|
312372
|
机壳组件 (A).(B) (苔藓绿)
|
1
|
|
15
|
|
铭牌
|
1
|
|
16
|
302086
|
自攻凸缘螺钉 D4X20 (黑)
|
7
|
|
17
|
305807
|
配线 (A) (白)
|
1
|
|
18
|
312370
|
配线
|
1
|
|
19
|
930483
|
刷握
|
2
|
|
20
|
999041
|
碳刷
|
2
|
|
21
|
960356
|
端子 (A) M3.5
|
2
|
|
21
|
980063
|
端子
|
2
|
|
22
|
994734
|
开关(B)
|
1
|
|
23
|
994273
|
干扰抑制器
|
1
|
|
24
|
960356
|
端子 (A) M3.5
|
2
|
|
25
|
302488
|
接地端子
|
1
|
|
26
|
|
日立标签
|
1
|
|
27
|
307217
|
电缆护套 D7.2
|
1
|
|
27
|
303662
|
电缆护套 D8.8
|
1
|
|
28
|
960266
|
电缆夹
|
1
|
|
29
|
305812
|
凸缘自攻螺钉 D4X16 (黑)
|
2
|
|
30
|
500409Z
|
电缆
|
1
|