牧科MT690E充电式冲击起子机
| 充电式冲击起子机 | MT690E |
|
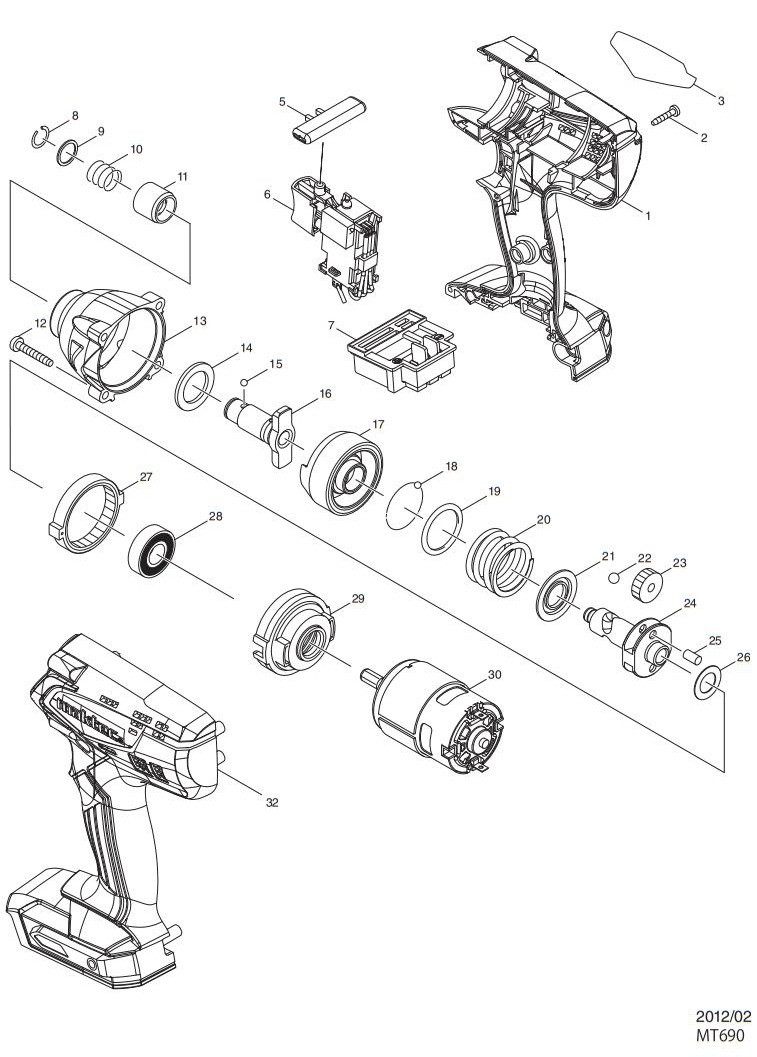
| 图号 | 部件号 | 部件名称/注解 | 数量 |
| 1 | 187419-1 | 机壳 | 1 |
| 1 | 252126-6 | 六角螺母 M4-73 | 2 |
| 包含零件. 32 | |||
| 2 | 266429-2 | 自攻螺丝 3X16 | 8 |
| 5 | 453055-8 | F/R转换杆 | 1 |
| 6 | 632A38-9 | 开关 | 1 |
| 7 | 643868-7 | 电池接板 | 1 |
| 8 | 231951-8 | 弹性环11 | 1 |
| 9 | 267085-1 | 平垫圈12 | 1 |
| 10 | 233005-7 | 压簧 13 | 1 |
| 11 | 324420-7 | 衬套 | 1 |
| 12 | 266374-1 | 自攻螺丝 4X25 | 4 |
| 13 | 141725-8 | 头壳 | 1 |
| 14 | 261151-6 | 垫圈19(尼龙) | 1 |
| 15 | 216001-0 | 钢珠 3.5 | 2 |
| 16 | 326111-6 | 从动冲击块N | 1 |
| 17 | 326110-8 | 主动冲击块 | 1 |
| 18 | 216001-0 | 钢珠 3.5 | 24 |
| 19 | 267175-0 | 平垫圈24 | 1 |
| 20 | 234074-1 | 压簧 25 | 1 |
| 21 | 267766-7 | 平垫圈14 | 1 |
| 22 | 216011-7 | 钢珠 5.6 | 2 |
| 23 | 226336-1 | 直齿圆柱齿轮 22 | 2 |
| 24 | 326109-3 | 主轴 | 1 |
| 25 | 256253-1 | 销子5 | 2 |
| 26 | 267212-0 | 平垫圈12 | 1 |
| 27 | 227279-0 | 内齿轮 51 | 1 |
| 28 | 210107-6 | 轴承 6001ZZ | 1 |
| 29 | 453056-6 | 内齿轮盖 | 1 |
| 30 | 629971-8 | 直流电机 | 1 |
| 32 | 187419-1 | 机壳 | 1 |
| 32 | 252126-6 | 六角螺母 M4-73 | 2 |
| 包含零件. 1 | |||
| A01 | 452652-7 | 电池盖 | 1 |
| A01 | STEXMT001 | 充电式日光灯 | 1 |
| A03 | 195420-2 | 电池 L1451 | 2 |
| A06 | 821553-4 | 塑料携带箱 | 1 |