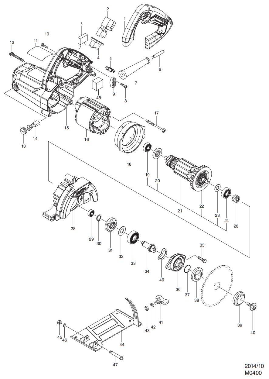
M0400B切割机
| 切割机 | M0400B |
|
| 图号 | 部件号 | 部件名称/注解 | 使用数量 |
| 001 | 456032-9 | 手柄盖 | 1 |
| 002 | 650239-1 | 开关 FA1-6/1B | 1 |
| 003 | 645240-9 | 电容 | 1 |
| 004 | 424585-6 | 防尘盖 | 1 |
| 005 | 654532-5 | 接线端子 1P | 1 |
| 006 | 694407-6 | 电源线 1.5-2-2.0 | 1 |
| 007 | 682516-3 | 电源线护套 9.3-85 | 1 |
| 008 | 266841-6 | 自攻螺丝4X18 | 2 |
| 009 | 687124-5 | 电源线压板 | 1 |
| 010 | 266841-6 | 自攻螺丝4X18 | 4 |
| 012 | 265104-7 | 半圆头螺丝 M5X40 | 3 |
| 013 | 644500-6 | 碳刷盖 7X11 | 2 |
| 014 | 191963-2 | 碳刷 CB-303 | 1 |
| 015 | 143276-7 | 机壳 | 1 |
| 015 | 644501-4 | 碳刷握 5X11 | 2 |
| 016 | 594623-9 | 定子 | 1 |
| 016 | 654220-4 | 接线环 | 2 |
| 016 | 654501-6 | 连接器 P-1.25 | 2 |
| 017 | 266826-2 | 自攻螺丝 5X60 | 2 |
| 018 | 454369-8 | 挡风圈 | 1 |
| 019 | 210046-0 | 轴承 608ZZ | 1 |
| 020 | 681644-1 | 绝缘垫圈 | 1 |
| 021 | 513878-7 | 转子 | 1 |
| 包含零件.19,20,22-24 | 0 | ||
| 022 | 240053-9 | 风叶 65 | 1 |
| 023 | 267231-6 | 平垫圈 9 | 1 |
| 024 | 211488-1 | 轴承 629DDW | 1 |
| 026 | 227762-7 | 斜齿轮 14 | 1 |
| 028 | 142985-5 | 护罩 | 1 |
| 028 | 263002-9 | 橡胶柱 4 | 1 |
| 029 | 210137-7 | 轴承 606ZZ | 1 |
| 030 | 257993-4 | 挡圈 S-12 | 1 |
| 031 | 227763-5 | 斜齿轮 32 | 1 |
| 032 | 267238-2 | 平垫圈 12 | 1 |
| 033 | 211345-3 | 轴承 6201DDW | 1 |
| 034 | 326561-5 | 主轴 | 1 |
| 035 | 265497-2 | 六角螺栓 M5X20 | 2 |
| 036 | 319254-1 | 轴承室 | 1 |
| 037 | 213279-6 | O圈 18 | 1 |
| 038 | 224080-4 | 内压板 36 | 1 |
| 039 | 224081-2 | 外压板 36 | 1 |
| 040 | 266510-9 | 内六角螺栓 M6X18 | 1 |
| 041 | 265754-8 | 翼型螺丝 M6×12 | 1 |
| 042 | 942151-2 | 弹簧垫圈 6 | 1 |
| 043 | 941151-9 | 平垫圈 6 | 1 |
| 044 | 346850-2 | 底板 | 1 |
| 045 | 252137-1 | 六角螺母 M5-8 | 1 |
| 046 | 942101-7 | 弹簧垫 | 1 |
| 047 | 265091-0 | 沉头螺丝 M5 | 1 |
| 048 | 424676-3 | 海绵垫 | 1 |
| 049 | 267785-3 | 波形弹性垫圈 23 | 1 |
| A01 | 781041-2 | 扳手 22 | 1 |
| A02 | 783217-7 | 六角扳手 5 | 1 |
| E01 | 689055-4 | 接线环支架 | 2 |