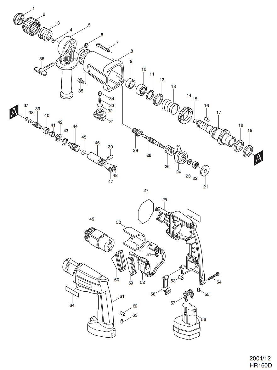
HR160DWA充电式电锤
| 充电式电锤 | HR160DWA |
|
| 图号 | 部件号 | 部件名称/注解 | 数量 |
| 5 | 273634-4 | 副手柄 | 1 |
| 6 | 931302-2 | 六角螺母 M6 | 1 |
| 7 | 266012-5 | 自攻螺丝 PT5X35 | 4 |
| 8 | 150822-9 | 前罩 | 1 |
| 8 | 253133-2 | 平垫圈7 | 1 |
| 8 | 231234-6 | 压簧12 | 1 |
| 8 | 216011-7 | 钢珠 5.6 | 1 |
| 10 | 211323-3 | 轴承 6904LLU | 1 |
| 11 | 231954-2 | 弹性环28 | 1 |
| 12 | 267110-8 | 平垫圈31 | 1 |
| 13 | 233123-1 | 压簧32 | 1 |
| 14 | 226260-8 | 直齿轮46 | 1 |
| 17 | 134813-8 | 钻套 | 1 |
| 18 | 267105-1 | 平垫圈29 | 1 |
| 19 | 267105-1 | 平垫圈29 | 1 |
| 21 | 226288-6 | 直齿轮49 | 1 |
| 22 | 211022-7 | 轴承607ZZ | 1 |
| 23 | 253186-1 | 平垫圈7 | 1 |
| 24 | 219007-7 | 摆动轴承 | 1 |
| 25 | 182672-4 | 机壳组件 | 1 |
| 包含零件. 61 | |||
| 26 | 322652-0 | 离合器 | 1 |
| 27 | 213720-9 | O形圈 67 | 1 |
| 28 | 322721-7 | 凸轮轴 | 1 |
| 29 | 226259-3 | 直齿轮10 | 1 |
| 30 | 321916-9 | 活塞销 | 1 |
| 31 | 415372-4 | 换挡钮 | 1 |
| 32 | 213265-7 | O形圈 17 | 1 |
| 33 | 231288-3 | 压簧6 | 1 |
| 34 | 322653-8 | 锥形推动柱 | 1 |
| 35 | 251392-2 | 十字槽半圆头螺丝 M4 | 1 |
| 36 | 265715-8 | 螺丝 6X40 | 1 |
| 37 | 213063-9 | O形圈 10 | 1 |
| 38 | 213063-9 | O形圈 10 | 1 |
| 39 | 323723-6 | 冲击杆 | 1 |
| 40 | 262038-5 | 橡胶环17 | 1 |
| 41 | 321915-1 | 空置环 | 1 |
| 42 | 267109-3 | 平垫圈13.5 | 1 |
| 43 | 231953-4 | 弹性环23 | 1 |
| 44 | 322720-9 | 撞锤 | 1 |
| 45 | 213214-4 | O形圈 16 | 1 |
| 46 | 316450-2 | 活塞 | 1 |
| 47 | 267104-3 | 平垫圈12 | 1 |
| 48 | 267104-3 | 平垫圈12 | 1 |
| 49 | 629685-9 | 直流电机 12V | 1 |
| 49 | 253811-4 | 平垫圈5 | 1 |
| 50 | 689028-7 | 导向垫板 | 1 |
| 51 | 911013-5 | 半圆头螺丝 M3X10 | 1 |
| 52 | 651911-8 | 开关 TG503BFLB-1 | 1 |
| 53 | 263024-9 | 橡胶柱4 | 1 |
| 54 | 265995-6 | 自攻螺丝 PT4X18 | 8 |
| 55 | 263014-2 | 橡皮柱4 | 1 |
| 56 | 194463-1 | 电池1202 | 1 |
| 包含零件. A02 | |||
| 57 | 643918-8 | 电池夹 | 1 |
| 58 | 344121-1 | 固定板 | 1 |
| 59 | 415499-0 | 开关操作杆 | 1 |
| 60 | 421495-8 | 开关防尘罩 | 1 |
| 61 | 182672-4 | 机壳组件 | 1 |
| 包含零件. 25 | |||
| 62 | 263024-9 | 橡胶柱4 | 1 |
| 63 | 263014-2 | 橡皮柱4 | 1 |
| 65 | 256447-8 | 销子 8 | 1 |
| 66 | 323724-4 | 夹头环 | 1 |
| 67 | 286265-0 | 防尘帽 31 | 1 |
| 68 | 232192-9 | 片簧26 | 1 |
| 69 | 344574-4 | 弹簧挡板 | 1 |
| 70 | 416410-5 | 夹头套 | 1 |
| 71 | 233203-3 | 压簧 38 | 1 |
| 72 | 233202-5 | 压簧20 | 1 |
| 73 | 216022-2 | 钢珠 7.0 | 1 |
| 74 | 231979-6 | 环簧 17 | 1 |
| A01 | 321144-6 | 深度规 | 1 |
| A02 | 414938-7 | 电池盖 | 1 |
| A03 | 824550-9 | 携带箱 | 1 |