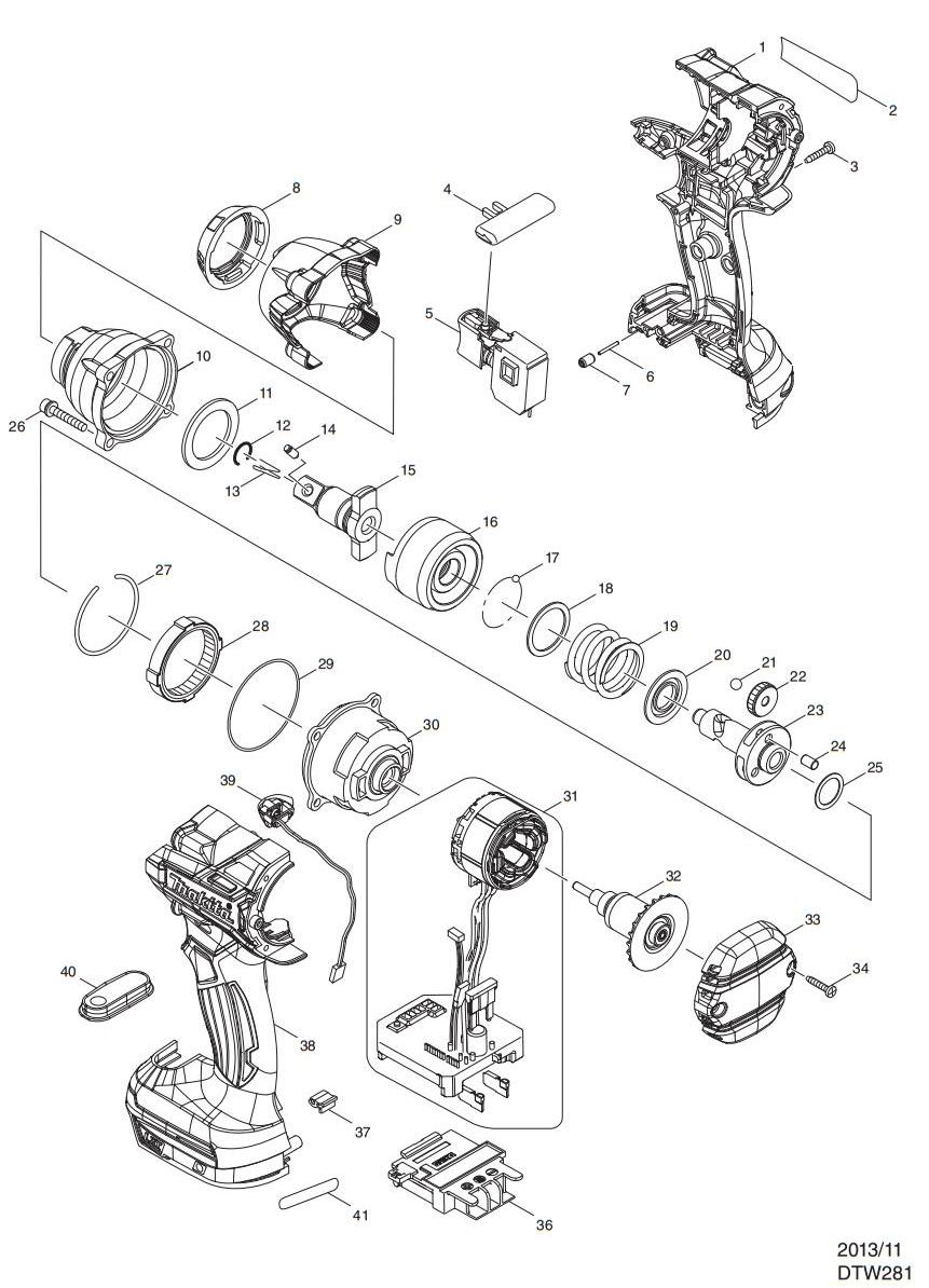
DTW281RFE/RME/RTE/Z充电式冲击扳手
| 充电式冲击扳手 | DTW281RFE/RME/RTE/Z |
|
| 图号 | 部件号 | 部件名称/注解 | 数量 |
| 1 | 187819-5 | 机壳 | 1 |
| 1C01 | 263005-3 | 橡胶柱 6 | 2 |
| 包含零件.38 | |||
| 3 | 266130-9 | 自攻螺丝 PT3X16 | 8 |
| 4 | 419041-9 | 转换杆 | 1 |
| 5 | 650673-5 | 开关 C3JW-1A | 1 |
| 6 | 268184-2 | 销 1.5 | 1 |
| 7 | 263036-2 | 橡皮销 5 | 1 |
| 8 | 424568-6 | 缓冲圈 | 1 |
| 9 | 454851-7 | 头壳盖 | 1 |
| 10 | 142388-3 | 头壳 | 1 |
| 11 | 261154-0 | 尼龙垫圈 28 | 1 |
| 12 | 231907-1 | 弹性环10 | 1 |
| 15 | 135617-1 | 从动冲击块 E | 1 |
| 包含零件.12 | |||
| 16 | 326384-1 | 主动冲击块 | 1 |
| 17 | 216001-0 | 钢珠 3.5 | 24 |
| 18 | 267175-0 | 平垫圈24 | 1 |
| 19 | 234322-8 | 压簧 25 | 1 |
| 20 | 267766-7 | 平垫圈14 | 1 |
| 21 | 216011-7 | 钢珠 5.6 | 2 |
| 22 | 227338-0 | 直齿轮 22 | 3 |
| 23 | 326385-9 | 主轴 | 1 |
| 24 | 268311-1 | 销 5 | 3 |
| 25 | 253147-1 | 平垫圈15 | 1 |
| 26 | 266915-3 | 内六角螺栓 M4X25 | 4 |
| 27 | 233910-8 | 弹性环 43 | 1 |
| 28 | 227337-2 | 内齿轮 51 | 1 |
| 29 | 213785-1 | O形圈 49 | 1 |
| 30 | 142389-1 | 内齿轮箱 | 1 |
| 31 | 632D63-8 | 定子 | 1 |
| 32 | 619341-9 | 转子 | 1 |
| 33 | 454850-9 | 后盖 | 1 |
| 34 | 266130-9 | 自攻螺丝 PT3X16 | 2 |
| 36 | 643860-3 | 电池接板 | 1 |
| 37 | 424517-3 | 衬垫 | 1 |
| 38 | 187819-5 | 机壳 | 1 |
| 38C02 | 263005-3 | 橡胶柱 6 | 2 |
| 包含零件.1 | |||
| 39 | 620295-5 | LED电路 | 1 |
| 40 | 142394-8 | 开关盘 | 1 |
| A01 | 266622-8 | 十字螺丝 M4X12 | 1 |
| A02 | 346317-0 | 挂钩 | 1 |