DDF456RFE/RME / Z充电式起子电钻
| 充电式起子电钻 | DDF456RFE/RME / Z |
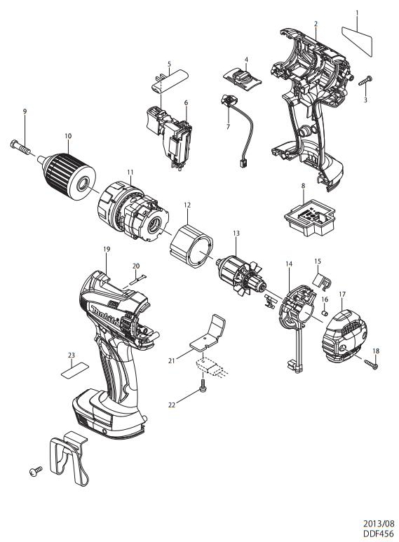
|
| 图号 | 部件号 | 部件名称/注解 | 数量 |
| 2 | 188932-2 | 机壳组件 | 1 |
| 3 | 266429-2 | 自攻螺丝 3X16 | 9 |
| 4 | 126289-3 | 速度转换杆总成 | 1 |
| 4C01 | 233438-6 | 压簧 4 | 2 |
| 5 | 419250-0 | 正反转换杆 | 1 |
| 6 | 650731-7 | 开关 C3HZ-1A-TLMS | 1 |
| 7 | 620012-3 | LED灯 | 1 |
| 8 | 643852-2 | 电池接板 | 1 |
| 9 | 251468-5 | 一字平头螺丝 M6X22 | 1 |
| 10 | 763175-3 | 无匙钻夹头 | 1 |
| 11 | 125831-7 | 齿轮总成 | 1 |
| 12 | 638425-4 | 定子 | 1 |
| 13 | 619263-3 | 转子 | 1 |
| 14 | 638728-6 | 碳刷握总成 | 1 |
| 15 | 194427-5 | 碳刷 CB-440 | 1 |
| 16 | 263032-0 | 橡皮销 4 | 2 |
| 17 | 452205-2 | 后盖 | 1 |
| 18 | 266429-2 | 自攻螺丝 3X16 | 2 |
| 19 | 188932-2 | 机壳组件 | 1 |
| 20 | 232182-2 | 板簧 | 1 |
| 21 | 689170-4 | 散热片 | 1 |
| 22 | 911013-5 | 半圆头螺丝 M3X10 | 1 |
| A01 | 251314-2 | 半圆头螺丝 | 1 |
| A02 | 346317-0 | 挂钩 | 1 |
| A03 | 784637-8 | 改锥头 | 1 |
| A04 | 141856-3 | 塑料携带箱 | 1 |
| A05 | 450128-8 | 电池盖 | 2 |
| A06 | 195592-3 | 充电器 DC18RC | 1 |
| A07 | 638562-4 | 电池 BL1830 | 3 |