BTW251RFE•DTW251RFE/Z/RME/RTE/Z充电式冲击扳手
| 充电式冲击扳手 | BTW251RFE•DTW251RFE/Z/RME/RTE/Z |
|
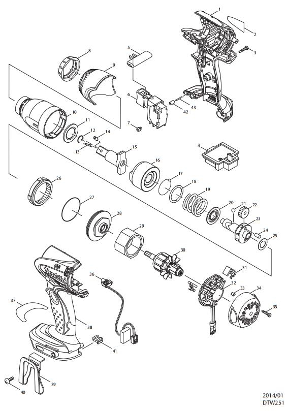
| 图号 | 部件号 | 部件名称/注解 | 数量 |
| 1 | 188243-5 | 机壳 | 1 |
| 1C01 | 263005-3 | 橡胶柱 6 | 2 |
| 包含零件.38 | |||
| 3 | 266130-9 | 自攻螺丝 PT3X16 | 8 |
| 4 | 643852-2 | 电池接板 | 1 |
| 5 | 419041-9 | 转换杆 | 1 |
| 6 | 650652-3 | 开关 TG553FSB-1B | 1 |
| 7 | 652045-0 | 十字半圆头螺丝 M3.5X5 | 2 |
| 8 | 424375-7 | 缓冲器 | 1 |
| 9 | 452439-7 | 头壳盖 | 1 |
| 10 | 140171-2 | 头壳 | 1 |
| 11 | 261116-8 | 尼龙垫圈18 | 1 |
| 12 | 231907-1 | 弹性环10 | 1 |
| 15 | 324706-9 | 从动冲击块 | 1 |
| 16 | 324703-5 | 主动冲击块 | 1 |
| 17 | 216001-0 | 钢珠 3.5 | 24 |
| 18 | 267175-0 | 平垫圈24 | 1 |
| 19 | 234337-5 | 压簧 25 | 1 |
| 20 | 267766-7 | 平垫圈14 | 1 |
| 21 | 216011-7 | 钢珠 5.6 | 2 |
| 22 | 227233-4 | 自齿圆柱齿轮22 | 2 |
| 23 | 324220-5 | 主轴 | 1 |
| 24 | 256253-1 | 销子5 | 2 |
| 25 | 267212-0 | 平垫圈12 | 1 |
| 26 | 227150-8 | 内齿轮 51 | 1 |
| 27 | 213507-9 | O形圈 40 | 1 |
| 28 | 158145-9 | 轴承室 | 1 |
| 29 | 638495-3 | 电动机壳 | 1 |
| 30 | 619253-6 | 转子 | 1 |
| 31 | 196854-2 | 碳刷 CB-448 | 1 |
| 32 | 638498-7 | 碳刷握 | 1 |
| 33 | 263032-0 | 橡皮销 4 | 2 |
| 34 | 418981-8 | 后盖 | 1 |
| 35 | 266130-9 | 自攻螺丝 PT3X16 | 2 |
| 36 | 631693-8 | 照明灯 | 1 |
| 38 | 188243-5 | 机壳 | 1 |
| 38C01 | 263005-3 | 橡胶柱 6 | 2 |
| 包含零件.1 | |||
| 39 | 346317-0 | 挂钩 | 1 |
| 40 | 251314-2 | 半圆头螺丝 | 1 |
| 41 | 424026-2 | 衬垫 | 1 |
| 42 | 263036-2 | 橡皮销 5 | 1 |
| 43 | 268184-2 | 销 1.5 | 1 |
| A01 | 630724-0 | 充电器DC18RC | 1 |
| A02 | 194476-2 | 电池组件 BL1830 | 2 |
| A03 | 141205-4 | 塑料携带箱 | 1 |
| A05 | 450128-8 | 电池盖 | 1 |