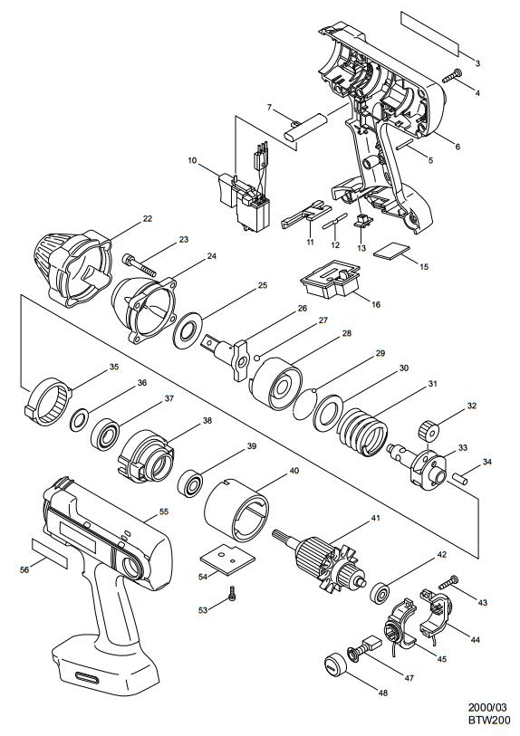
BTW200WA充电式冲击扳手
| 充电式冲击扳手 | BTW200WA |
|
| 图号 | 部件号 | 部件名称/注解 | 数量 |
| 4 | 265995-6 | 自攻螺丝 PT4X18 | 9 |
| 5 | 256176-3 | 销子2.5 | 1 |
| 6 | 183257-9 | 机壳组件 | 1 |
| 包含零件. 55 | |||
| 7 | 416079-5 | 转换杆 | 1 |
| 10 | 651994-8 | 开关 | 1 |
| 11 | 344898-8 | 保持架 | 1 |
| 12 | 232198-7 | 片簧 | 1 |
| 13 | 417337-2 | H/L转换杆 | 1 |
| 15 | 413086-9 | 板块 | 1 |
| 16 | 643983-7 | 端盖 | 1 |
| 22 | 421757-4 | 防护端盖 | 1 |
| 23 | 266271-1 | 内六角螺栓 M5X35 | 4 |
| 24 | 151981-2 | 头壳 | 1 |
| 25 | 267054-2 | 平垫圈18 | 1 |
| 26 | 324255-6 | 从动冲击块 | 1 |
| 27 | 216011-7 | 钢珠 5.6 | 2 |
| 28 | 324125-9 | 主动冲击块 | 1 |
| 29 | 216008-6 | 钢球4 | 25 |
| 30 | 267088-5 | 平垫圈28 | 1 |
| 31 | 233079-8 | 压簧30 | 1 |
| 32 | 227005-7 | 直齿圆柱齿轮24 | 2 |
| 33 | 324030-0 | 主轴 | 1 |
| 34 | 256033-5 | 销子6 | 2 |
| 35 | 227004-9 | 内齿轮55 | 1 |
| 36 | 267215-4 | 平垫圈 15 | 1 |
| 37 | 211237-6 | 轴承6002LLB | 1 |
| 38 | 417336-4 | 内齿轮箱 | 1 |
| 39 | 211061-7 | 轴承 6000LLB | 1 |
| 40 | 638020-0 | 电机机壳 | 1 |
| 41 | 519063-0 | 转子组件 | 1 |
| 包含零件. 39,42 | |||
| 42 | 211021-9 | 轴承 607LLB | 1 |
| 43 | 265995-6 | 自攻螺丝 PT4X18 | 2 |
| 44 | 643968-3 | 碳刷座 | 1 |
| 45 | 643969-1 | 碳刷座 | 1 |
| 47 | 194435-6 | 碳刷 CB-441 | 1 |
| 48 | 643941-3 | 碳刷盖 | 2 |
| 53 | 911006-2 | 半圆头螺丝 M3X8 | 1 |
| 54 | 689070-8 | 散热板 | 1 |
| 55 | 183257-9 | 机壳组件 | 1 |
| 包含零件. 6 | |||
| A01 | 194474-6 | 电池BH2420(1.8AH) | 1 |
| A03 | 134832-4 | 套筒19-52组件 | 1 |
| 包含零件. A04,A05 | |||
| A04 | 213398-8 | O形圈 24 | 1 |
| A05 | 268057-9 | 销子4 | 1 |
| E03 | 231907-1 | 弹性环10 | 1 |