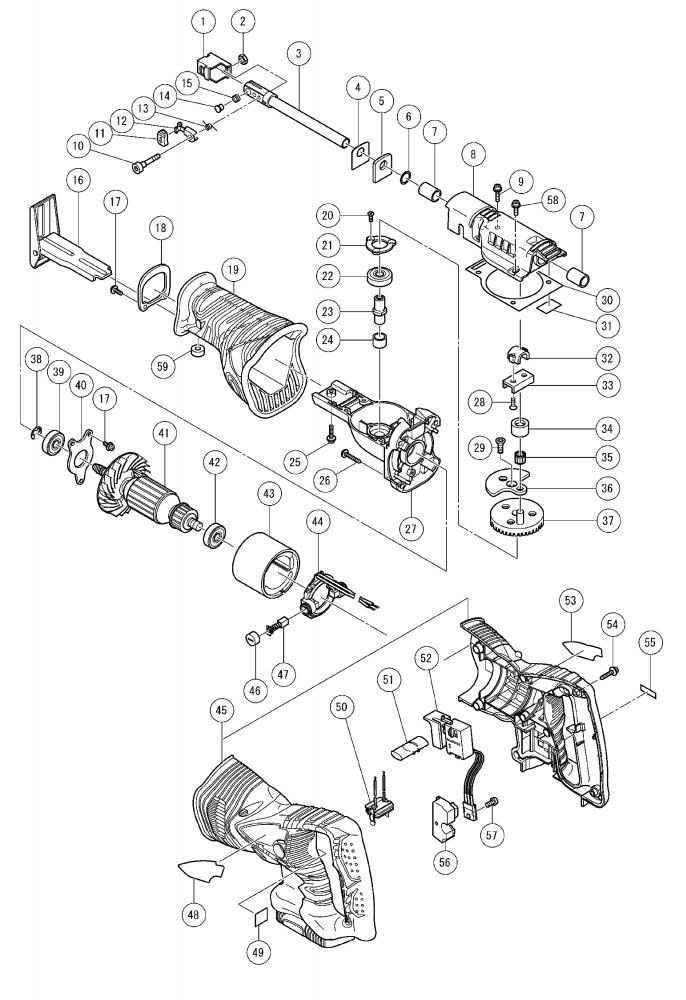
CR18DL充电式往复锯
| 图号 | 配件编号 | 配件名称 | 员数 |
| 1 | 321132 | 锯条架 (A) | 1 |
| 2 | 322709 | 螺母 M4 (黑) | 1 |
| 3 | 324472 | 柱塞 | 1 |
| 4 | 996401 | 密封垫圈 | 1 |
| 5 | 996400 | 毛毡圈 | 1 |
| 6 | 996407 | O形环 (1AP-12) | 1 |
| 7 | 956589 | 含油轴承 | 2 |
| 8 | 324471 | 上盖总成 | 1 |
| 9 | 305583 | 螺栓 M5X20 | 2 |
| 10 | 322134 | 特型螺栓 M4 | 1 |
| 11 | 321130 | 钻帽 | 1 |
| 12 | 321131 | 手杆 (A) | 1 |
| 13 | 321135 | 弹簧 (D) | 1 |
| 14 | 321134 | 固定销 (B) | 1 |
| 15 | 318483 | 弹簧(B) | 1 |
| 16 | 319866 | 基座 | 1 |
| 17 | 951039 | 镙钉(有垫圈) M4X12 | 5 |
| 18 | 324474 | 活动盖板 | 1 |
| 19 | 324473 | 前盖 | 1 |
| 20 | 993244 | 密封平头镙钉 M4X12 | 3 |
| 21 | 319849 | 轴承盖 (B) | 1 |
| 22 | 6901VV | 滚珠轴承 6901VVCMPS2L | 1 |
| 23 | 319848 | 输出轴 | 1 |
| 24 | 954789 | 含油轴承 (B) | 1 |
| 25 | 996399 | 凸缘六角螺栓 M5X12 | 1 |
| 26 | 986011 | 自攻镙钉 (有弹簧垫圈) D5X30 | 4 |
| 27 | 319844 | 齿轮罩 | 1 |
| 28 | 319875 | 密封六角平头螺栓 M5X12 | 2 |
| 29 | 319851 | 特型六角平头螺栓 M6X16 | 1 |
| 30 | 319856 | 密封圈 | 1 |
| 31 | 319874 | 密封片 (B) | 1 |
| 32 | 983567 | 连接器固定器 | 1 |
| 33 | 996405 | 连接器 | 1 |
| 34 | 983541 | 连接块 (A) | 1 |
| 35 | 324470 | 滚销 | 1 |
| 36 | 319852 | 平衡块 | 1 |
| 37 | 324469 | 齿轮 | 1 |
| 38 | 670514 | 定位环 (E型) | 1 |
| 39 | 6001VV | 滚珠轴承 6001VVCMPS2L | 1 |
| 40 | 319843 | 轴承盖 (A) | 1 |
| 41 | 360703 | 转子总成 DC 18V | 1 |
| 42 | 608VVM | 滚珠轴承 608VVC2PS2L | 1 |
| 43 | 324468 | 磁块 | 1 |
| 44 | 324478 | 刷块 | 1 |
| 45 | 324475 | 机壳组件 (A).(B) | 1 |
| 46 | 319847 | 刷帽 | 2 |
| 47 | 999068 | 碳刷 | 2 |
| 48 | 日立标签 | 1 | |
| 49 | 警示标签 | 1 | |
| 50 | 324517 | 端子块 | 1 |
| 51 | 319760 | 切换按扭 | 1 |
| 52 | 319861 | 直流调速开关 | 1 |
| 53 | 铭牌 | 1 | |
| 54 | 302086 | 自攻凸缘螺钉 D4X20 (黑) | 8 |
| 55 | 警示标签 | 1 | |
| 56 | 319812 | 散热片 | 1 |
| 57 | 993963 | 螺钉(有垫圈) M3X12 | 1 |
| 58 | 305574 | 六角镙钉(有弹簧垫圈) M5X16 | 2 |
| 59 | 326353 | 帽 (A) | 1 |