价格网

  • 首页
  • 样本
  • 配件
    • 捷科配件
    • 世达配件
    • 史丹利配件
    • 博世配件
    • 波斯配件
    • 牧田配件
    • 日立配件
    • 威克士配件
    • 大有配件
    • 锐奇配件
  • 图片
  • 产品库
  • 配件搜索

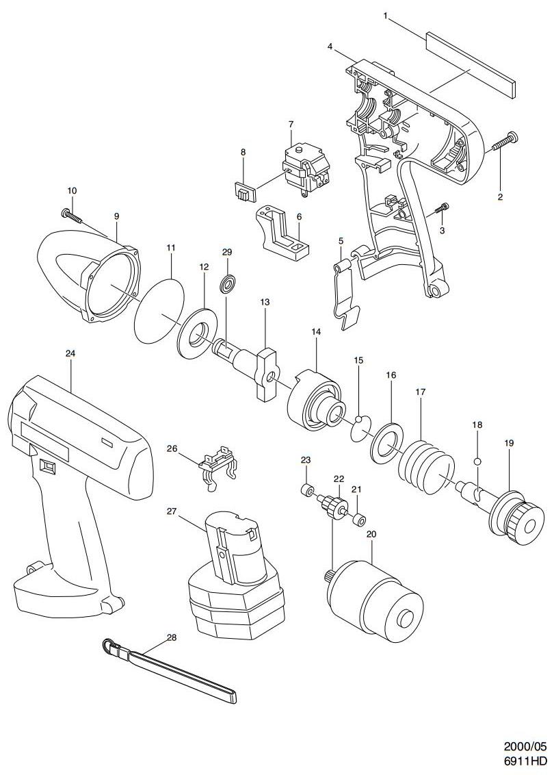
6911HDWA充电式冲击扳手

充电式冲击扳手 6911HDWA
下载
图号 部件号 部件名称/注解 数量
2 265925-7 半圆头螺钉BTx20 6
3 911138-5 半圆头螺丝 M4X20 1
4 182532-0 外壳组件 1
包含零件. 24
5 343579-1 固定板 1
6 415671-4 开关杆 1
7 651967-1 开关 1
8 414740-8 转换杆 1
9 152411-6 头壳 1
10 265925-7 半圆头螺钉BTx20 4
11 213604-1 O形圈 50 1
12 267054-2 平垫圈18 1
13 322592-2 从动冲击块 1
14 322527-3 主动冲击块 1
15 216001-0 钢珠 3.5 29
16 267088-5 平垫圈28 1
17 233045-5 压簧30 1
18 216011-7 钢珠 5.6 2
19 153216-7 主轴 1
20 629638-8 直流电机 12V 1
20 226404-0 斜齿轮 15 1
21 214027-6 滑动轴承4 1
22 226115-7 齿轮组 10-38 1
23 214027-6 滑动轴承4 1
24 182532-0 外壳组件 1
包含零件. 4
26 643918-8 电池夹 1
27 192536-4 电池1202 1
包含零件.A05
27 194463-1 电池1202 1
包含零件.A05
29 231907-1 弹性环10 1
A01 213398-8 O形圈 24 1
A02 268057-9 销子4 1
A03 134831-6 套筒19-38组件 1
包含零件. A01,A02
A04 182935-8 滑动锁销组件 1
A04 186347-7 固定板 1
A05 414938-7 电池盖 1
pt solid #000000;border-bottom: .5pt solid #000000;background:#FFFFFF;mso-pattern:auto none;mso-protection:locked visible;height:12.78pt;width:32.27pt;">A07213398-8O形圈 241

Copyright © 2025. 沈阳市铁西区亦博商贸中心 All rights reserved.
辽ICP备15006450号-4