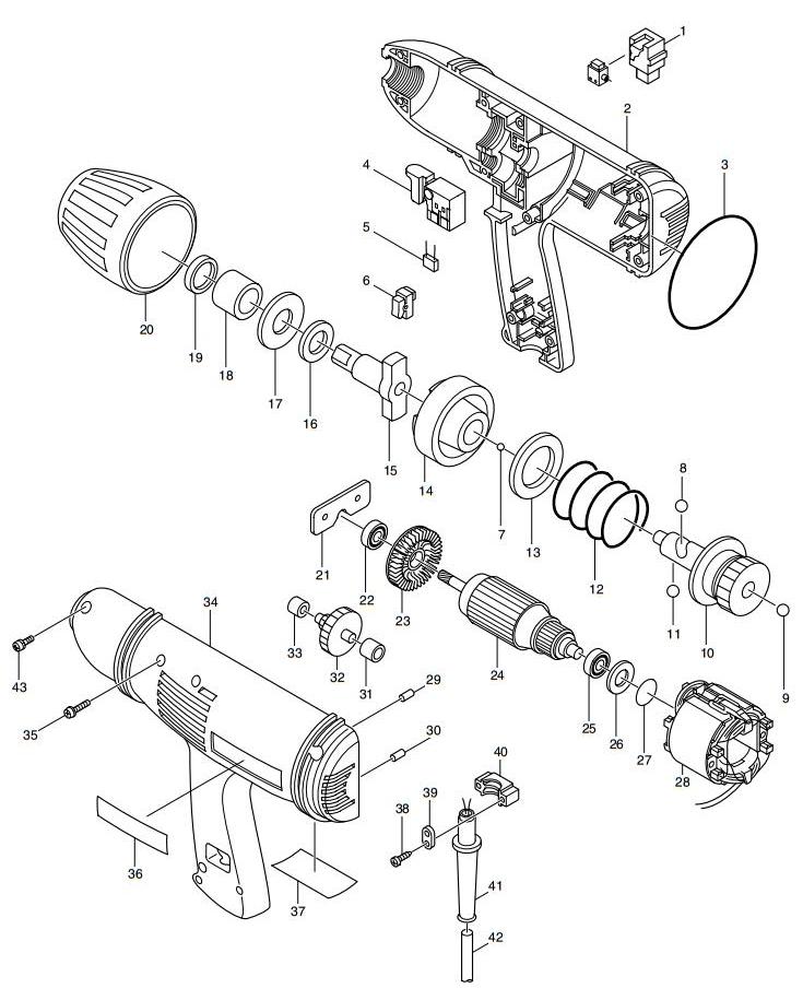
6905H电动扳手
| 电动扳手 | 6905H |
|
| 图号 | 部件号 | 部件名称/注解 | 数量 |
| 1 | 191950-1 | 碳刷 CB-415 | 1 |
| 2 | 182471-4 | 外壳组件 | 1 |
| 3 | 213718-6 | O形圈 70 | 1 |
| 4 | 651234-4 | 开关 SGE206C | 1 |
| 6 | 651556-2 | 电容 | 1 |
| 7 | 216008-6 | 钢球4 | 31 |
| 8 | 216007-8 | 钢球 6.4 | 1 |
| 9 | 216007-8 | 钢球 6.4 | 1 |
| 10 | 153199-1 | 主轴座 | 1 |
| 11 | 216007-8 | 钢球 6.4 | 1 |
| 12 | 231493-2 | 压簧34 | 1 |
| 13 | 267079-6 | 平垫圈34 | 1 |
| 14 | 322391-2 | 主动冲击块 | 1 |
| 15 | 322503-7 | 从动冲击块 | 1 |
| 16 | 253937-2 | 平垫圈18 | 1 |
| 17 | 261089-5 | 橡胶垫圈18 | 1 |
| 18 | 257637-6 | 衬套18 | 1 |
| 19 | 213257-6 | 油封圈18 | 1 |
| 20 | 421747-7 | 防护端盖 | 1 |
| 21 | 162149-5 | 缓冲垫 | 1 |
| 22 | 211031-6 | 轴承 608LLB | 1 |
| 23 | 241850-6 | 风叶60 | 1 |
| 24 | 516053-4 | 转子组件 220V | 1 |
| 25 | 210025-8 | 轴承 627LLB | 1 |
| 26 | 253192-6 | 平垫圈 14 | 1 |
| 27 | 213262-3 | O形圈 18 | 1 |
| 28 | 634178-3 | 定子 220V | 1 |
| 29 | 263002-9 | 橡胶柱 4 | 1 |
| 30 | 263002-9 | 橡胶柱 4 | 1 |
| 31 | 214012-9 | 滑动轴承6 | 1 |
| 32 | 226100-0 | 齿轮组 16-38 | 1 |
| 33 | 214022-6 | 滑动轴承8 | 1 |
| 34 | 182471-4 | 外壳组件 | 1 |
| 35 | 911546-0 | 半圆头螺丝 M4X25 | 8 |
| 36 | 819003-1 | 牧田牌标签 | 1 |
| 37 | 856688-2 | 铭牌 6905H | 1 |
| 38 | 265995-6 | 自攻螺丝 PT4X18 | 2 |
| 39 | 687052-4 | 电源线压板 | 1 |
| 40 | 687051-6 | 电源线压板 | 1 |
| 41 | 682516-3 | 电源线护套 9.3-85 | 1 |
| 42 | 694324-0 | 电源线1.5-2-2.5 | 1 |
| 43 | 911546-0 | 半圆头螺丝 M4X25 | 2 |
| A01 | 134831-6 | 套筒19-38组件 | 1 |
| A02 | 134851-0 | 套筒22-38组件 | 1 |
| A03 | 134841-3 | 套筒24-45组件 | 1 |
| A05 | 268057-9 | 销子4 | 1 |
| A06 | 213399-6 | O形圈 25 | 1 |
| A07 | 213398-8 | O形圈 24 | 1 |