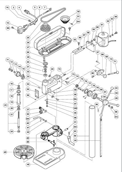
B13S台式钻床

| 图号 | 配件编号 | 配件名称 | 数量 | 备注 |
| 1A | 304043 | 螺钉 M4X10 (黑) | 1 | |
| 3 | 968300 | 尼龙扣 | 1 | |
| 5 | 305833 | 电缆 | 1 | |
| 7 | 959140 | 连接器 50091 | 6 | |
| 8A | 307232 | 螺钉 M6X12 (黑) | 2 | |
| 10 | 951111 | 开关 (单相) | 1 | |
| 10 | 951112 | 开关 (三相) | 1 | |
| 11 | 949574 | 锁母 M12 | 2 | |
| 12 | 949437 | 螺栓垫圈 M12 | 1 | |
| 13 | 932350 | 弹簧罩 | 1 | |
| 14 | 932364 | 垫圈 (D) | 1 | |
| 15 | 932351 | 弹簧 | 1 | |
| 16 | 939544 | 止推环 | 1 | |
| 17 | 6002VV | 滚珠轴承 6002VVCMPS2L | 1 | |
| 18 | 951102 | 橡胶垫圈 | 1 | |
| 20 | 939286 | 止推轴承 (51103) | 1 | |
| 21 | 6203VV | 滚珠轴承 6203VVCMPS2L | 1 | |
| 23 | 951121 | 主轴总成 | 1 | 包括 .16,17,19-21,24 |
| 24 | 950067 | 螺母 (D) | 1 | |
| 25 | 973230 | V-形带 (3V-425) | 1 | |
| 26 | 951104 | 滑轮 (B) | 1 | |
| 27 | 950138 | 皮带护盖 | 1 | |
| 28 | 951122 | 螺钉 (垫圈) M4X14 | 3 | |
| 29 | 951103 | 轴承盖 | 1 | |
| 30 | 6005VV | 滚珠轴承 6005VVPS2L | 1 | |
| 31 | 965469 | 定位环 | 2 | |
| 32 | 6005VV | 滚珠轴承 6005VVPS2L | 1 | |
| 33 | 951160 | 机头 | 1 | |
| 34 | 975984 | 销针 (E) | 1 | |
| 35 | 铭牌 | 1 | ||
| 36 | 949510 | 铆钉 D2.5X4.8 | 4 | |
| 37 | 932313 | 螺纹件 | 1 | |
| 38 | 932112 | 小齿轮 | 1 | |
| 39A | 975081 | 垫圈 | 1 | |
| 40 | 950124 | 夹紧镙钉 | 1 | |
| 41 | 949681 | 滚销 D5X25 | 1 | |
| 42 | 949437 | 螺栓垫圈 M12 | 1 | |
| 43 | 932324 | 刻度 (B) | 1 | |
| 44 | 305660 | 台座总成 (B) | 1 | 包括 .43,45-48 |
| 45 | 949464 | 弹簧垫圈 M16 | 1 | |
| 46 | 932322 | 螺栓 (A) | 1 | |
| 47 | 949556 | 螺母 M6 | 1 | |
| 48 | 932323 | 特型锥形销 | 1 | |
| 49 | 951120 | 底座总成 | 1 | 包括 .94 |
| 50 | 951530 | 滑轮 (A) | 1 | |
| 51 | 968247 | 螺钉 M6X10 | 2 | |
| 52A | 300197 | 螺钉 (垫圈) M6X16 | 4 | |
| 55 | 949657 | 六角螺栓 M6X12 | 1 | |
| 56 | 951161 | 引杆 (B) | 1 | |
| 57 | 951107 | 引杆 | 1 | |
| 58 | 951106 | 马达座 | 1 | |
| 59 | 949463 | 弹簧垫圈 M12 | 2 | |
| 60 | 949574 | 锁母 M12 | 2 | |
| 61 | 马达 | 1 | ||
| 62 | 949425 | 垫圈 M6 | 4 | |
| 63 | 949455 | 弹簧垫圈 M6 | 4 | |
| 64 | 949611 | 螺栓 M6X12 | 4 | |
| 65 | 939540 | 定位环 | 1 | |
| 66 | 949258 | 螺钉 M6X20 | 1 | |
| 67 | 932147 | 销针 (C) | 1 | |
| 68 | 932158 | 凸轮 | 1 | |
| 69 | 951162 | 把手连杆 | 1 | |
| 70 | 932461 | 手柄 (C) | 1 | |
| 71 | 932462 | 握把 (C) | 1 | |
| 72 | 949879 | 滚销 D8X25 | 1 | |
| 73 | 950141 | 六角螺钉 M10X10 | 4 | |
| 74 | 949413 | 蝶形螺栓 M8X25 | 2 | |
| 75 | 932112 | 小齿轮 | 1 | |
| 76 | 932348 | 锁定螺栓 (A) | 1 | |
| 77 | 950087 | 垫圈 | 1 | |
| 78 | 932346 | 垫圈 (C) | 1 | |
| 79 | 950086 | 刻度 (A) | 1 | |
| 80 | 949509 | 铆钉 D2.5X3.2 | 3 | |
| 81 | 932345 | 止动环 | 1 | |
| 82 | 949483 | 销针D4X8 | 1 | |
| 83 | 932344 | 握把 (A) | 3 | |
| 84 | 950135 | 手柄 | 3 | |
| 85 | 951105 | 手柄中枢 | 1 | 包括 .96 |
| 86 | 932593 | 特型螺母 M8 | 1 | |
| 87A | 949433 | 螺栓垫圈 M8 | 1 | |
| 88 | 951534 | 销 | 1 | |
| 89 | 950088 | 指示器 (B) | 1 | |
| 90A | 949239 | 螺钉 M5X16 | 1 | |
| 91 | 950125 | 齿轮轴 | 1 | |
| 92A | 949256 | 螺钉 M6X16 | 1 | |
| 93 | 305661 | 把手 (B) | 1 | |
| 94 | 圆柱 | 1 | ||
| 95 | 950121 | 架杆 | 1 | |
| 96 | 949686 | 滚销 D6X40 | 1 | |
| 100 | 974265 | 电缆扣 (NC-1) | 1 | |
| 105 | 310169 | 马达盖 (A) | 1 | |
| 106 | 310170 | 马达盖 (B) | 1 | |
| 107 | 307438 | 垫子 (A) | 1 | |
| 108 | 323094 | 垫板 | 1 | |
| 109 | 949237 | 螺钉 M5X12 | 1 | |
| 110 | 949454 | 弹簧垫圈 M5 | 1 | |
| 111 | 949424 | 垫圈 M5 | 1 |